非同期サンプルレートコンバータ独立実験基板「SRC_4192_A」を販売開始いたしました。
サンプルレートコンバータ独立実験基板「SRC_4192_A」は、T.I.社の「SRC4192」を、最小パーツと設定、接続用コネクタを実装できるようにした実験・学習向け変換モジュール基板で、デジタルオーディオ関連の実験・学習や、自作デジタルオーディオ機器の製作負担軽減、その他の独立実験基板を組み合わせること により自作デジタルオーディオ機器を手軽に製作できます。
192kHzステレオ非同期サンプルレートコンバータIC SRC4192(T.I.)
非同期サンプルレートコンバータ独立実験基板「SRC_4192_A」
Digital Audio Independent Experiments Board


入力されたオーディオシリアル信号のサンプリング周波数を16倍までの整数倍に上げる「アップサンプリング」、1/16までの整数分の1に下げる「ダウンサンプリング」して出力できます。例えば48kHz ⇒ 192kHz、192kHz ⇒ 96kHzのようにサンプリング周波数を変換することができます。
SRC4192IDB


メインICのSRC4192IDBは表面実装ICですが、あらかじめ基板に実装済みですので、初めての方でもやさしく組み立てられます。
入出力サンプリング周波数192kHzに対応し、入力オーディオシリアル信号は24ビット左寄せ(LJ)、24ビットI2S、16 / 18 / 20 / 24ビット右寄せ(RJ)、出力オーディオシリアル信号は16 / 18 / 20 / 24ビット各ビット長の左寄せ(LJ)、I2S、右寄せ(RJ)の各フォーマットに対応しております。
SRC4192IDBについてはDATASHEETを御覧ください。
電解コンデンサにはニチコンのオーディオ用、抵抗アレイのソケットに金メッキのソケットを採用しております。


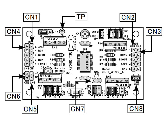
コネクタのピンアサイン

CN1(CN4):オーディオシリアル信号入力


CN1とCN4は同じ信号線が来ていますので、どちらを使用してもOKです。
CN2(CN3):オーディオシリアル信号出力

![]()
CN2とCN3は同じ信号線が来ていますので、どちらを使用してもOKです。
CN5(CN6):電源入力

![]()
CN5とCN6は同じ信号線が来ていますので、どちらを使用してもOKです。
CN7:SRC4192状態出力

![]()
CN8:TDMI信号出力

![]()
※通常はCN8に付属のショートプラグをさして「L(0)」でお使いください。
SRC_4192_Aジャンパ設定

JP1(IFMT):入力信号のフォーマットを設定
SRC4192のオーディオシリアル信号入力のフォーマットに合わせて、JP1(IFMT)ジャンパを設定します。


JP2:SRC4192の動作モードの設定
SRC4192の入力と出力をそれぞれ「マスターモード」「スレーブモード」にするかを設定します。


JP3:出力データフォーマットの設定


JP4:LGRPの設定
サンプルレートの変換が始まるまでに集めるオーディオデータのサンプル数を設定します。

JP5:リセット&出力ミュート機能の設定
JP5-1は外部からリセットする場合に使用、
JP5-2はミュート(通常ショート)する場合に使用します。


JP5-1は基板上のリセットスイッチにも接続されています。
JP7:オーディオシリアル入力 プルアップ/プルダウン設定
RC4192のオーディオシリアル信号入力を抵抗でプルアップ、プルダウンするかを選択


基本的な接続方法

システムクロックには、PLLクロック独立実験基板「CLK_1707_D」を使います。
独立実験基板の組み合わせによる
USB接続のアップサンプリングD-Aコンバータの構成例

非同期サンプルレートコンバータ独立実験基板「SRC_4192_A」の使用例として、上図の組み合わせにより、手軽にUSB接続のアップサンプリングD-Aコンバータを作ることができます。
【組み合わせキット】
・USBオーディオインターフェイスキット「USB-DOUT2706kit」
・DAIトランシーバ独立実験基板「WM8805_G Rev.2」
・非同期サンプルレートコンバータ独立実験基板「SRC_4192_A」
・PLLクロック独立実験基板キット「CLK_1707_D」
・D/Aコンバータ独立実験基板キット「DAC1792_B」
・平衡-平衡反転アンプ基板「OPAMP_B」(IV変換用)
・平衡-不平工変換アンプ基板(ゲイン1倍タイプ)「BALUN_2134」
その他、デジタルオーディオ独立実験基板の組み合わせにより、アップサンプリングDACなどの高性能なデジタルオーディオ機器を手軽に安価で作ることができます。
【主な仕様】
・対応サンプリング周波数:最少4kHz~最大212kHz
・入力-出力サンプリング周波数比:16:1~1:16(整数比)
・変換可能範囲:1/16倍~16倍の整数倍または整数分の1
・入力フォーマット:24bit 左寄せ(LJ)・24bit I2S
・入力フォーマット:16,18,20,24bit 右寄せ(RJ)
・出力フォーマット:16,18,20,24bit 左寄せ・I2S・右寄せ(RJ)
・各種動作設定:ジャンパにて設定
・動作モード:マスター / スレーブ
・電源:3.3V(単一電源) ※5V系ロジックとは直接接続負荷
キット説明書(PDF)
販売価格:¥4,094-
【製品仕様】
●対応サンプリング周波数:最小4kHz~最大212kHz●入力-出力サンプリング周波数比:16:1~1:16(整数比)
●変換可能範囲:1/16倍~16倍の整数倍または整数分の1
●入力フォーマット:24bit左寄せ(LJ)・24bit I2S、
16、18、20、24bit右寄せ(RJ)
●出力フォーマット:16、18、20、24bit左寄せ・I2S・右寄せ(RJ)
●各種動作設定:ジャンパにて設定
●動作モード:マスター/スレーブ
●電源:3.3V(単一電源) ※5V系ロジックとは直接接続不可















